- 產品名稱:雙路雙指示頻率表
- 產品型號:Q96D-HC
- 產品銘牌:SAIC
- 生產廠商:上海自一船用儀表廠
- 銷售單位:上海自動化儀表銷售中心
- 所屬類別:生產廠家 > 上海自一船用儀表廠 > 產品目錄 > 產品展示 > 測量非電量 >
-
電網頻率的測量
特性:
用于電網頻率的測量 偏轉角:90° 環境溫度:-25℃ to +55℃ 外殼防護:IP42/52 耐振動:0.7g 前面板尺寸:96x96mm (AxB)開孔尺寸: 92+0.5 x 92+0.5 mm 準確度等級:0.5 電源消耗:≤2VA 額定電壓:Un±15% (Un:100V,220V,380V) 重量:1.1kg | ![]() |
測量范圍
測量范圍 | 額定電壓 |
45-50-55Hz 55-60-65Hz | 100V or 220V or 380V |
350-400-450Hz | |
380-480Hz |
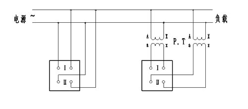
接線示意圖

上一篇:Q96D-HCA頻率表
下一篇:Q144-WTCZA功率表
相關產品:









