- 產品名稱:功率因數表
- 產品型號:Q96-FETC
- 產品銘牌:SAIC
- 生產廠商:上海自一船用儀表廠
- 銷售單位:上海自動化儀表銷售中心
- 所屬類別:生產廠家 > 上海自一船用儀表廠 > 產品目錄 > 產品展示 > 測量非電量 >
-
對于三相電路COS的測量
特性:
| 精度:1.5級 | ![]() |
| 環境溫度范圍:-25℃- +55℃ | |
| 外殼防護:按IP42/52 | |
| 耐振動:0.7g | |
| 儀表標度尺:白色底黑色刻度如需設定值可劃紅線。 | |
| 儀表安裝:用四個對角支架固定 | |
產品分類:
產品型號 | 展開角 | 外型尺寸(A×B×C) | 開孔尺寸(mm) | 重量(kg) | 備注 |
Q96-FTZ | 240° | 96×96×140 | 92+0.5×92+0.5 | 0.75 | |
Q72-FTZ | 72×72×80 | 68+0.5×68+0.5 | 1.4 | 配變換器 | |
Q96-FETC | 90° | 96×96×140 | 92+0.5×92+0.5 | 0.65 | |
Q72-FETC | 72×72×80 | 68+0.5×68+0.5 | 1.4 | 配變換器 |
測量范圍:
測量范圍 | 額定電壓 | 額定電流 | 額定頻率 |
0.5~1~0.5 0.8~1~0.5 0.8~1~0.8 | 100V | 1A,/1A,5A,/5A | 50HZ、60HZ、400HZ |
110V | |||
220V | |||
380V | |||
400V | |||
PT/100V |
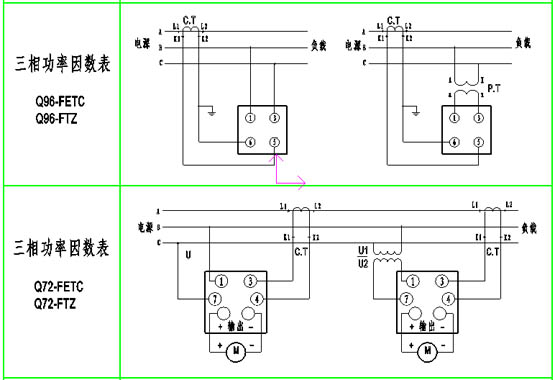
Q96-FTZ FETC 接線圖

上一篇:Q72-FETC功率因數表
下一篇:Q96-ZS同步指示器
相關產品:









