- 產品名稱:頻率表
- 產品型號:Q96-HZCO
- 產品銘牌:SAIC
- 生產廠商:上海自一船用儀表廠
- 銷售單位:上海自動化儀表銷售中心
- 所屬類別:生產廠家 > 上海自一船用儀表廠 > 產品目錄 > 產品展示 > 測量非電量 >
-
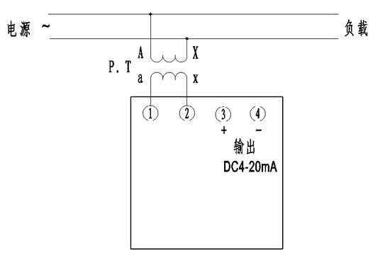
既能作測量頻率指示,同時又能輸出一標準模擬量DC4~20Ma
特性:
精度:1.5級 環境溫度:-25℃ to +55℃ 外殼防護:IP42/52 耐振動:0.7g 前面板尺寸:96x96mm 儀表偏轉角:90° 240° 儀表標度尺:白色底黑色刻度如需設定值可劃紅線。 儀表安裝:用二個對角支架固定 | ![]() |
產品分類
產品型號 | 展開角 | 外型尺寸(A×B×C) | 開孔尺寸(mm) | 重量(kg) |
Q96-HCO | 90° | 96×96×140 | 92+0.5×92+0.5 | 1.25 |
Q96-HZCO | 240° | 96×96×140 | 92+0.5×92+0.5 | 1.25 |
主要技術數據
測量范圍 | 額定電壓 | 功耗 |
45~55HZ | AC100V | 2W |
接線圖:

上一篇:Q96-HCO頻率表
下一篇:Q96-WTCZAO功率表
相關產品:








